Main Content

setBlockValue

Set value of tuned block parameterization in slTuner interface

Description

setBlockValue lets you initialize or modify the current value of the parameterization of a tuned block in an slTuner interface.

An slTuner interface parameterizes each tuned Simulink® block as a Control Design Block, or a generalized parametric model of type genmat or genss. This parameterization specifies the tuned variables for commands such as systune.

setBlockValue(st,blk,value) sets the current value of the parameterization of a block in the slTuner interface, st.

example

setBlockValue(st,blkValues) updates the values of the parameterizations of multiple blocks using the structure, blkValues.

example

Examples

collapse all

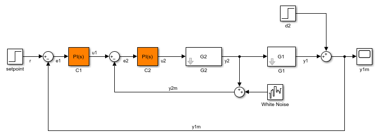
Create an slTuner interface for the scdcascade model, and set the value of the parameterization of one of the tuned blocks.

Create an slTuner interface.

open_system('scdcascade')
st = slTuner('scdcascade',{'C1','C2'});

Both C1 and C2 are PI controllers. Examine the default parameterization of C1.

getBlockParam(st,'C1')
Tunable continuous-time PID controller "C1" with formula:

             1 
  Kp + Ki * ---
             s 

and tunable parameters Kp, Ki.

Type "pid(ans)" to see the current value.

The default parameterization is a PI controller with two tunable parameters, Kp and Ki.

Set the value of the parameterization of C1.

C = pid(4.2);
setBlockValue(st,'C1',C);

Examine the value of the parameterization of C1.

getBlockValue(st,'C1')
ans =
 
  Kp = 4.2
 
Name: C1
P-only controller.

Examine the parameterization of C1.

getBlockParam(st,'C1')
Tunable continuous-time PID controller "C1" with formula:

             1 
  Kp + Ki * ---
             s 

and tunable parameters Kp, Ki.

Type "pid(ans)" to see the current value.

Observe that although the current block value is a P-only controller, the block parameterization continues to be a PI-controller.

Create an slTuner interface.

open_system('scdcascade')
st = slTuner('scdcascade',{'C1','C2'});

Create a block value structure with field names that correspond to the tunable blocks in st.

blockValues = getBlockValue(st);
blockValues.C1 = pid(0.2,0.1);
blockValues.C2 = pid(2.3);

Set the values of the parameterizations of the tunable blocks in st using the defined structure.

setBlockValue(st,blockValues);

Input Arguments

collapse all

Interface for tuning control systems modeled in Simulink, specified as an slTuner interface.

Block in the list of tuned blocks for st, specified as a character vector or string. You can specify the full block path or any portion of the path that uniquely identifies the block among the other tuned blocks of st.

Example: blk = 'scdcascade/C1', blk = "C1"

Note

setBlockValue allows you to modify only the overall value of the parameterization of blk. To modify the values of elements within custom block parameterizations, such as generalized state-space models, use setTunedValue.

Value of block parameterization, specified as a numeric LTI model or a Control Design Block, such tunableGain or tunablePID. The value of value must be compatible with the parameterization of blk. For example, if blk is parameterized as a PID controller, then value must be an tunablePID block, a numeric pid model, or a numeric tf model that represents a PID controller.

setBlockValue updates the value of the parameters of the tuned block based on the parameters of value. Using setBlockValue does not change the structure of the parameterization of the tuned block. To change the parameterization of blk, use setBlockParam. For example, you can use setBlockParam to change a block parameterization from tunablePID to a three-pole tunableTF model.

Values of multiple block parameterizations, specified as a structure with fields specified as numeric LTI models or Control Design Blocks. The field names are the names of blocks in st. Only blocks common to st and blkValues are updated, while all other blocks in st remain unchanged.

To specify blkValues, you can retrieve and modify the block parameterization value structure from st.

blkValues = getblockValue(st);
blkValues.C1 = pid(0.1,0.2);

Note

For Simulink blocks whose names are not valid field names, specify the corresponding field name in blkValues as it appears in the block parameterization.

blockParam = getBlockParam(st,'B-1');
fieldName = blockParam.Name;
blockValues = struct(fieldName,newB1);

More About

collapse all

Version History

Introduced in R2011b