getBlockParam
Get parameterization of tuned block in slTuner interface
Syntax
Description
getBlockParam lets you retrieve
the current parameterization of a tuned block in an slTuner interface.
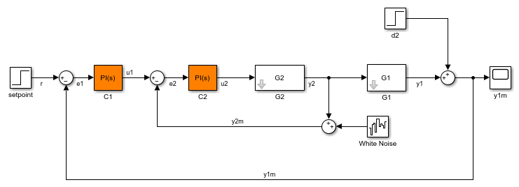
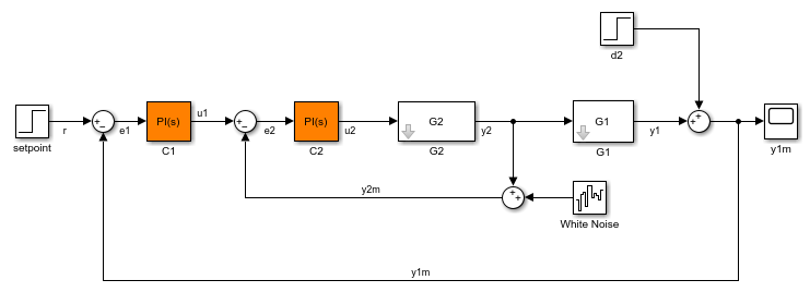
An slTuner interface parameterizes each
tuned Simulink® block as a Control Design Block, or a generalized
parametric model of type genmat or genss. This parameterization specifies
the tuned variablesTuned Variables for
commands such as systune.
Examples
Input Arguments
Output Arguments
More About
Version History
Introduced in R2011b
See Also
slTuner | setBlockParam | getBlockValue | getTunedValue | genss | tunablePID


