wlanPacketDetect
Estimate timing offset of OFDM packet using L-STF
Syntax
Description
estimates the timing offset between the start of
received signal startOffset = wlanPacketDetect(rxSig,cbw)rxSig and the
start of the detected preamble for channel
bandwidth cbw. The function
uses the legacy short training field (L-STF) for this
estimation. For more information, see Packet Detection Processing.
Note
This function supports packet detection of OFDM modulated signals only.
specifies the sample at which the function begins
autocorrelation processing relative to the start
of the received signal.startOffset = wlanPacketDetect(rxSig,cbw,offset)
specifies the threshold that the decision
statistic must meet or exceed to detect a packet. startOffset = wlanPacketDetect(rxSig,cbw,offset,threshold)
specifies an oversampling factor in addition to any input
argument combination from the previous syntaxes. Use this
syntax to perform packet detection on an oversampled signal.
startOffset = wlanPacketDetect(___,OversamplingFactor=osf)
[
also returns the decision statistics of the packet
detection algorithm for any of the input argument
combinations in previous syntaxes.startOffset,M]
= wlanPacketDetect(___)
Examples
Input Arguments
Output Arguments
More About
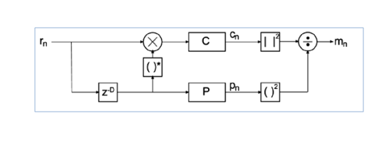
Algorithms
References
[1] Terry, J., and J. Heiskala. OFDM Wireless LANs: A Theoretical and Practical Guide. Indianapolis, IN: Sams, 2002.
Extended Capabilities
Version History
Introduced in R2016bSee Also
1 IEEE® Std 802.11-2020 Adapted and reprinted with permission from IEEE. Copyright IEEE 2020. All rights reserved.



