Supercapacitor
Electrochemical double-layer capacitor
Libraries:
Simscape /
Electrical /
Passive
Description
The Supercapacitor block represents an electrochemical double-layer capacitor (ELDC), which is commonly referred to as a supercapacitor or an ultracapacitor. The capacitance values for supercapacitors are orders of magnitude larger than the values for regular capacitors. Supercapacitors can provide bursts of energy because they can charge and discharge rapidly.
You can model any number of supercapacitor cells connected in series or in parallel
using a single Supercapacitor block. To do so, set the
relevant parameter, that is Number of series cells or
Number of parallel cells, to a value larger than
1. Internally, the block simulates only the equations for a
single supercapacitor cell, but it calculates:
The output voltage according to the number of series-connected cells
The current according to the number of parallel-connected cells
Calculating the output of a multiple-cell supercapacitor based on the output for a single cell is more efficient than simulating the equations for each cell individually.
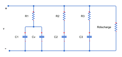
The figure shows the equivalent circuit for a single cell in the Supercapacitor block. The circuit is a network of resistors and capacitors that is commonly used to model supercapacitor behavior.

Capacitors C1, C2, and C3 have fixed capacitances. The capacitance of capacitor Cv depends on the voltage across it. Resistors R1, R2, and R3 have fixed resistances. The voltage across each individual fixed capacitor in the Supercapacitor block is calculated as
where:
v is the voltage across the block.
Nseries is the number of cells in series.
n is the branch number. n = [1, 2, 3].
in is the current through the nth branch.
Rn is the resistance in the nth branch.
Vcn is voltage across the capacitor in the nth branch.
The equation for the current through the first branch of the supercapacitor depends on the voltage across the capacitors in the branch. If the capacitors experience a positive voltage, that is
then
else
where:
Vc1 is voltage across the capacitors in the first branch.
C1 is the capacitance of the fixed capacitor in the first branch.
Kv is the voltage-dependent capacitance gain.
i1 is the current through the first branch.
For the remaining branches, the current is defined as
where:
n is the branch number. n =[2, 3].
Cn is the capacitance of the nth branch.
The total current through the Supercapacitor block is
where:
Nparallel is the number of cells in parallel.
Rdischarge is the self-discharge resistance of the supercapacitor.
i is the current through the supercapacitor.
Examples
Ports
Conserving
Parameters
References
[1] Zubieta, L. and R. Bonert. “Characterization of Double-Layer Capacitors for Power Electronics Applications.” IEEE Transactions on Industry Applications, Vol. 36, No. 1, 2000, pp. 199–205.
[2] Weddell, A. S., G. V. Merrett, T. J. Kazmierski, and B. M. Al-Hashimi. “Accurate Supercapacitor Modeling for Energy-Harvesting Wireless Sensor Nodes.” IEEE Transactions on Circuits And Systems–II: Express Briefs, Vol. 58, No. 12, 2011, pp. 911–915.
Extended Capabilities
Version History
Introduced in R2016b


