SM ST8C
Discrete-time or continuous-time synchronous machine ST8C static excitation system with automatic voltage regulator
Since R2023a
Libraries:
Simscape /
Electrical /
Control /
SM Control
Description
The SM ST8C block implements a synchronous-machine-type ST8C static excitation system model in conformance with IEEE Std 421.5-2016 [1].
Use this block to model the control and regulation of the field voltage of a synchronous machine.
Switch between continuous and discrete implementations of the block by using the
Sample time (-1 for inherited) parameter. To configure the
integrator for continuous time, set the Sample time (-1 for
inherited) parameter to 0. To configure the integrator
for discrete time, set the Sample time (-1 for inherited) parameter
to a positive scalar. To inherit the sample time from an upstream block, set the
Sample time (-1 for inherited) parameter to
-1.
The SM ST8C block comprises four major components:
The Current Compensator component modifies the measured terminal voltage as a function of the terminal current.
The Voltage Measurement Transducer component simulates the dynamics of a terminal voltage transducer using a low-pass filter.
The Excitation Control Elements component compares the voltage transducer output with a terminal voltage reference to produce a voltage error value. The component then passes this value through a voltage regulator to produce the field voltage.
The Power Source component models the power source for the controlled rectifier when it is independent from the terminal voltage.
This diagram shows the structure of the ST8C excitation system model:

In the diagram:
VT and IT are the measured terminal voltage and current of the synchronous machine, respectively.
VC1 is the current-compensated terminal voltage.
VC is the filtered, current-compensated terminal voltage.
VREF is the reference terminal voltage.
VS is the power system stabilizer voltage.
VB is the exciter field voltage.
EFD and IFD are the field voltage and current, respectively.
Current Compensator and Voltage Measurement Transducer
The block models the current compensator by using this equation:
where:
RC is the load compensation resistance.
XC is the load compensation reactance.
The block implements the voltage measurement transducer as a Low-Pass Filter block with the time constant TR. Refer to the documentation for the Low-Pass Filter block for information about the exact discrete and continuous implementations.
Excitation Control Elements
This diagram shows the structure of the excitation control elements:

In the diagram:
The Summation Point Logic subsystem models the summation point input location for the overexcitation limiter (OEL), underexcitation limiter (UEL) and stator current limiter (SCL) voltages. For more information about using limiters with this block, see Field Current Limiters.
The Take-over Logic subsystem models the take-over point input location for the OEL, UEL, and SCL voltages. For more information about using limiters with this block, see Field Current Limiters.
The PI subsystem models a PI controller that functions as a control structure for the automatic voltage regulator and allows the representation of an equipment retrofit with a modern digital controller. The minimum and maximum anti windup saturation limits for the block are VPImin and VPImax, respectively. A current PI regulator follows the voltage PI regulator in cascade.
The PI1 subsystem models a PI controller that functions as a control structure for the field current regulator. The minimum and maximum anti windup saturation limits for the block are VAmin and VAmax, respectively.
The top Low-Pass Filter block models the major dynamics of the controlled rectified bridge. KA is the controlled rectifier bridge equivalent gain and TA is the major time constant of the controlled rectifier bridge. The minimum and maximum anti windup saturation limits for the block are VRmin and VRmax, respectively.
The Power source selector parameter controls the origin of the power source for the controlled rectifier. The contribution factor is summed and/or multiplied to the power stage output. The summation component VB2 corresponds to a compound power source derived from generator terminal current. If you set the Potential circuit (current) gain coefficient, K_I2 (pu) and Rectifier loading factor proportional to commutating reactance, K_C2 (pu) parameters to
0, this summation component is disabled. For more information about the logical switch for the power source of the controlled rectifier, see Power Source.
Field Current Limiters
You can use different types of field current limiter to modify the output of the voltage regulator under unsafe operating conditions:
Use an overexcitation limiter to prevent overheating of the field winding due to excessive field current demand.
Use an underexcitation limiter to boost field excitation when it is too low, which risks desynchronization.
Use a stator current limiter to prevent overheating of the stator windings due to excessive current.
Attach the output of any of these limiters at one of these points:
Summation point — Use the limiter as part of the automatic voltage regulator (AVR) feedback loop.
Take-over point — Override the usual behavior of the AVR.
If you are using the stator current limiter at the summation point, use the input VSCLsum. If you are using the stator current limiter at the take-over point, use the overexcitation input VSCLoel, and the underexcitation input VSCLuel.
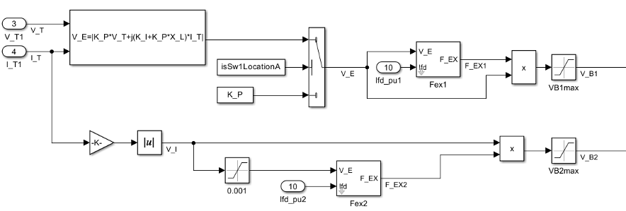
Power Source
You can use different power source representations for the controlled rectifier by
setting the Power source selector parameter value. To derive
the power source for the controlled rectifier from the terminal voltage, set the
Power source selector parameter to Position A:
power source derived from generator terminal voltage. To specify
that the power source is independent of the terminal voltage, set the
Power source selector parameter to Position B:
power source independent of generator terminal conditions.
This diagram shows a model of the exciter power source utilizing a phasor combination of the terminal voltage VT and terminal current IT:

The summation component VB2 corresponds
to a compound power source derived from generator terminal current. If you set the
Potential circuit (current) gain coefficient, K_I2 (pu) and
Rectifier loading factor proportional to commutating reactance, K_C2
(pu) parameters to 0, this summation component is
disabled.
Ports
Input
Output
Parameters
References
[1] IEEE Std 421.5-2016 (Revision of IEEE Std 421.5-2005). "IEEE Recommended Practice for Excitation System Models for Power System Stability Studies." Piscataway, NJ: IEEE, 2016.
Extended Capabilities
Version History
Introduced in R2023a
