Discrete-to-Phasor Interface
The Specialized Power Systems library will be removed in R2026a. Use the Simscape™ Electrical™ blocks and functions instead. For more information on updating your models, see Upgrade Specialized Power System Models to use Simscape Electrical Blocks.
Libraries:
Simscape /
Electrical /
Specialized Power Systems /
Utilities
Description
Use the Discrete-to-Phasor Interface block with a Phasor-to-Discrete block to connect a network simulated in Discrete mode to a network simulated in Discrete Phasor mode. The Discrete-to-Phasor Interface block must be used in a subsystem or Model Reference that has a Powergui block with Simulation type set to Discrete. The electrical network that this subsystem contains is called the Discrete Network.
An associated Discrete-to-Phasor Interface block must be used in another subsystem or Model Reference that has a Powergui block with Simulation type set to Discrete phasor. The electrical network that this subsystem contains is called the Discrete Phasor Network.


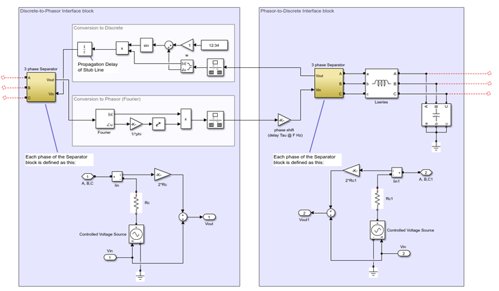
The Discrete-to-Phasor Interface block and the Phasor-to-Discrete Interface block form a decoupling device system. Each phase terminal of the Discrete-to-Phasor Interface block consists of a controlled Voltage Source block in series with a resistor and a Current Measurement block, as shown in the left section of this model:

The Discrete-to-Phasor Interface block converts the voltages measured at the A, B, and C terminals of the block into phasor voltages that are sent to the Phasor-to-Discrete Interface block. It also converts the phasor voltages received by the Phasor-to-Discrete block into discretized voltages. Because the Discrete-to-Phasor Interface block and the Phasor-to-Discrete Interface block act together to model a single decoupling system, the values specified for the resistance Rc, nominal frequency F, and sample time Ts parameters must be the same in the two blocks.
Ports
Conserving
Simulink
Parameters
Extended Capabilities
Version History
Introduced in R2023a
