SPnT
Single pole multiple throw switch
Libraries:
RF Blockset /
Circuit Envelope /
Junctions
Description
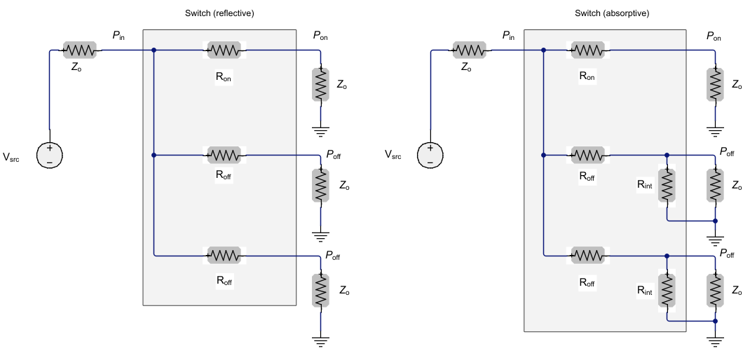
The SPnT block models a single pole multiple throw switch. This block
supports both reflective and absorptive switches. You can specify two to eight output
ports for the switch. The control signal is a Simulink® signal connected to the Ctl port of the block. The
control signal specifies which output port transmits the input signal. When the input to
the Ctl port is between one and the number of output ports, the
Ctl signal value is rounded to the nearest integer. The output
port that corresponds to the integer value transmits the data. If the rounded
Ctl signal value does not correspond to any of the output ports,
then all the output ports are turned off.
Examples
Ports
Input
Parameters
More About
References
[1] Razavi, Behzad. RF Microelectronics. Upper Saddle River, NJ: Prentice Hall, 2011.
Version History
Introduced in R2018a


