musyn
Robust controller design using mu synthesis
Syntax
Description
musyn designs a robust controller for an uncertain plant
using D-K iteration, which combines H∞ synthesis (K
step) with μ analysis (D step) to optimize closed-loop robust
performance.
You can use musyn to:
Synthesize "black box" unstructured robust controllers.
Robustly tune a fixed-order or fixed-structure controller made up of tunable components such as PID controllers, state-space models, and static gains.
For additional information about performing μ synthesis and interpreting results, see Robust Controller Design Using Mu Synthesis.
Full-Order Centralized Controllers
[
returns a controller K,CLperf] = musyn(P,nmeas,ncont)K that optimizes the robust performance of the
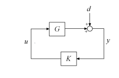
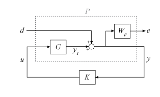
uncertain closed-loop system CL = lft(P,K). The plant
P is a continuous or discrete uncertain plant with the partitioned
form
where:
w represents the disturbance inputs.
u represents the control inputs.
z represents the error outputs to be kept small.
y represents the measurement outputs provided to the controller.
nmeas and ncont are the numbers of signals
in y and u, respectively. y and
u are the last outputs and inputs of P,
respectively. The closed-loop system CL = lft(P,K) achieves the robust
performance CLperf, which is the μ upper bound,
the robust performance metric calculated by musynperf.
For this syntax, musyn uses hinfsyn for
H∞ synthesis (the K
step).
[
uses additional options for the D-K iteration and underlying K,CLperf,info] = musyn(___,opts)hinfsyn
computations. Use musynOptions
to create the option set. You can use this syntax with any of the previous input and
output argument combinations.
Fixed-Structure Controllers
[
optimizes the robust performance by tuning the free parameters in the tunable, uncertain
closed-loop model CL,CLperf] = musyn(CL0)CL0. The genss model
CL0 is an uncertain and tunable model of the closed-loop system
whose robust performance you want to optimize. The model contains:
Uncertain control design blocks such as
urealandultidynto represent the uncertaintyTunable control design blocks such as
tunablePID,tunableSS, andtunableGainto represent the tunable components of the control structure
musyn returns the closed-loop model CL with
the tunable control design blocks set to the tuned values. The best achieved robust
performance is returned as CLperf.
For this syntax, musyn uses hinfstruct for
H∞ synthesis (K
step).
[
initializes the D-K iteration with the tunable block values in
CL,CLperf,info] = musyn(CL0,blockvals)blockvals. You can specify the block values as a structure or by
providing a closed-loop model whose blocks are tuned to the values you want to initialize.
For instance, to use the tuned values obtained in a previous musyn
run, set blockvalues = CL.
[
uses additional options for the D-K iteration and underlying
CL,CLperf,info] = musyn(___,opts)hinfstruct computations. Use musynOptions
to create the option set. You can use this syntax with any of the previous input and
output argument combinations.
Examples
Input Arguments
Output Arguments
Limitations
For discrete-time plants, sample times that are very small compared to other dynamics in the problem can cause the synthesis to fail due to numeric issues. For best results, choose sample times such that significant dynamics (system dynamics and weighting functions) are not more than a decade or two below the Nyquist frequency. The issue arises because the dynamics of the D and G scalings tend to concentrate around the system dynamics. A too-small sample time results an accumulation of poles near z = 1 (relative to the Nyquist frequency), which causes numeric problems with the Riccati solvers. Alternatively, design in continuous time.
Tips
For more information on how to interpret the displays and outputs of
musyn, see Robust Controller Design Using Mu Synthesis.For information about how to improve the results you obtain with
musyn, see Improve Results of Mu Synthesis.
Algorithms
musyn uses an iterative process called D-K
iteration. In this process, the function:
Uses H∞ synthesis to find a controller that minimizes the closed-loop gain of the nominal system.
Performs a robustness analysis to estimate the robust H∞ performance of the closed-loop system. This amount is expressed as a scaled H∞ norm involving dynamic scalings called the D and G scalings (the D step).
Finds a new controller to minimize the scaled H∞ norm obtained in step 2 (the K step).
Repeats steps 2 and 3 until the robust performance stops improving.
For more details about how this algorithm works, see D-K Iteration Process.
Extended Capabilities
Version History
Introduced in R2019b
See Also
musynOptions | musynperf | hinfsyn | hinfstruct | wcgain | uscale



