Short Transmission Line Model Analysis Using Simulink
Version 1.0.0 (658 KB) by
Md. Nahidul Islam
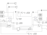
A short transmission line is defined as a transmission line with an effective length less than 80 km (50 miles) or with a voltage less than
A short transmission line is defined as a transmission line with an effective length less than 80 km (50 miles), or with a voltage less than 69 kV. Unlike medium transmission lines and long transmission lines, the line charging current is negligible, and hence the shunt capacitance can be ignored.
Cite As
Md. Nahidul Islam (2026). Short Transmission Line Model Analysis Using Simulink (https://www.mathworks.com/matlabcentral/fileexchange/96013-short-transmission-line-model-analysis-using-simulink), MATLAB Central File Exchange. Retrieved .
MATLAB Release Compatibility
Created with
R2014a
Compatible with any release
Platform Compatibility
Windows macOS LinuxTags
Discover Live Editor
Create scripts with code, output, and formatted text in a single executable document.
| Version | Published | Release Notes | |
|---|---|---|---|
| 1.0.0 |
