Power Factor Correction by using Capacitor Bank Simulation
The pf fall below 0.7 because there's present of inductive load. The important inductive loads responsible for the low power factor are the three-phase induction motors (which operate at a 0.8 lagging power factor), transformer, lamps and welding equipment operate at low lagging power factors.
Thus, the pf needed to be corrected to 0.9 as tnb pf minimum requirement pf is 0.85.
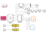
Simulation for power factor correction with the parameters as below:
TCL(total connected load)= 4.42kW
QL=5KVar - inductive load
Qc=2.9KVar - cap bank
Simulated rsesults:
pf before= 0.6628 (below 0.7)
pf after cap bank = 0.9034 ()
Cite As
nonabi_il10 (2026). Power Factor Correction by using Capacitor Bank Simulation (https://www.mathworks.com/matlabcentral/fileexchange/77311-power-factor-correction-by-using-capacitor-bank-simulation), MATLAB Central File Exchange. Retrieved .
MATLAB Release Compatibility
Platform Compatibility
Windows macOS LinuxTags
Discover Live Editor
Create scripts with code, output, and formatted text in a single executable document.
| Version | Published | Release Notes | |
|---|---|---|---|
| 1.0.0 |
