Single Phase Half Bridge Inverter
According to output frequency, ON time and OFF time of MOSFET is decided and gate pulses are generated. We need 50Hz AC power, so the time period of one cycle (0 < t < 2π) is 20msec. As shown in the diagram, MOSFET-1 is triggered for first half cycle (0 < t < π) and during this time period MOSFET-2 is not triggered. In this time period, current will flow in the direction of arrow as shown in below figure and half cycle of AC output is completed. The current from the load is right to left and load voltage is equal to +Vdc/2.In second half cycle (π < t < 2π), the MOSFET-2 is triggered and lower voltage source is connected with the load. The current from the load is left to right direction and load voltage is equal to -Vdc/2. In this time period, current will flow as shown in figure and the other half cycle of AC output is completed.
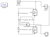
Simulation of Half-Bridge Inverter in MATLAB
For simulation add elements in model file from Simulink library.
1) 2 DC source – 50V each
2) 2 MOSFET
3) Resistive load
4) Pulse generator
5) NOT gate
6) Powergui
7) Voltage measurement
8) GOTO and FROM
Cite As
Dr.GADDALA JAYA RAJU (2026). Single Phase Half Bridge Inverter (https://www.mathworks.com/matlabcentral/fileexchange/73067-single-phase-half-bridge-inverter), MATLAB Central File Exchange. Retrieved .
MATLAB Release Compatibility
Platform Compatibility
Windows macOS LinuxCategories
- Physical Modeling > Simscape Electrical > Electrical Block Libraries > Switches and Breakers >
- Physical Modeling > Simscape Electrical > Electrical Block Libraries > Semiconductors and Converters >
- Physical Modeling > Simscape Electrical > Specialized Power Systems > Power Converters >
Tags
Acknowledgements
Inspired: Matlab Simulation of single phase half-controlled converter.
Discover Live Editor
Create scripts with code, output, and formatted text in a single executable document.
| Version | Published | Release Notes | |
|---|---|---|---|
| 1.0.0 |
