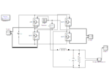
Pure sine wave Single phase pwm inverter
Version 1.0.0 (19.4 KB) by
Srinivasan K
Calculated accurate filters for the inverter
Single phase pwm inverter with calculated filters.
Cite As
Srinivasan K (2026). Pure sine wave Single phase pwm inverter (https://www.mathworks.com/matlabcentral/fileexchange/69283-pure-sine-wave-single-phase-pwm-inverter), MATLAB Central File Exchange. Retrieved .
MATLAB Release Compatibility
Created with
R2016a
Compatible with any release
Platform Compatibility
Windows macOS LinuxCategories
- Physical Modeling > Simscape Electrical > Electrical Block Libraries > Switches and Breakers >
- Physical Modeling > Simscape > Customization > Creating Custom Components and Libraries > Pulse width modulation (PWM) >
Find more on Switches and Breakers in Help Center and MATLAB Answers
Tags
Communities
More Files in the Power Electronics Control Community
Discover Live Editor
Create scripts with code, output, and formatted text in a single executable document.
| Version | Published | Release Notes | |
|---|---|---|---|
| 1.0.0 |
