halfbridge DC/DC converter
Version 1.0.0.0 (24.7 KB) by
SWJU211
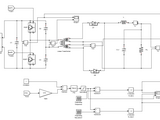
a simple halfbridge modle with voltage feedback for clpse loop control.
It's a simple modle of DC/DC with halfbridge topology.And the control strategy is the basic PWM control.It have a pretty good performance of the output voltage.
Cite As
SWJU211 (2026). halfbridge DC/DC converter (https://www.mathworks.com/matlabcentral/fileexchange/67647-halfbridge-dc-dc-converter), MATLAB Central File Exchange. Retrieved .
MATLAB Release Compatibility
Created with
R2016a
Compatible with any release
Platform Compatibility
Windows macOS LinuxCategories
Find more on Electrical Block Libraries in Help Center and MATLAB Answers
Tags
Communities
More Files in the Power Electronics Control Community
Discover Live Editor
Create scripts with code, output, and formatted text in a single executable document.
| Version | Published | Release Notes | |
|---|---|---|---|
| 1.0.0.0 |
