Switched capacitor with cascaded H-bridge
Version 1.0.0.0 (59.7 KB) by
Sheela Raj
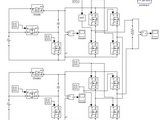
This is the HF inverter,it combined with switched capacitor and Cascaded H-bridge inverter
Multi level inverter used for low harmonics,high efficiency in high-frequency AC power distribution system.But here the Multilevel inverter is a combination of switched capacitor and h-bridge inverter.
Cite As
Sheela Raj (2026). Switched capacitor with cascaded H-bridge (https://www.mathworks.com/matlabcentral/fileexchange/52154-switched-capacitor-with-cascaded-h-bridge), MATLAB Central File Exchange. Retrieved .
MATLAB Release Compatibility
Created with
R2010a
Compatible with any release
Platform Compatibility
Windows macOS LinuxCategories
- Physical Modeling > Simscape Electrical > Specialized Power Systems >
- Physical Modeling > Simscape Electrical > Applications > Motor Drives and Power Electronics > Converters (High Power) >
Find more on Specialized Power Systems in Help Center and MATLAB Answers
Tags
Acknowledgements
Inspired by: Multilevel Inverter
Inspired: A_Cascaded_Multilevel_Inverter_Based on Switched capacitor
Discover Live Editor
Create scripts with code, output, and formatted text in a single executable document.
| Version | Published | Release Notes | |
|---|---|---|---|
| 1.0.0.0 | Switched capacitor with cascaded H-bridge SC with Cascaded H-bridge |
