Ultracapacitor (Supercapacitor) model
The ultracapacitor model has been developed in the PLECS toolbox. The experimental tests have been carried out in order to identify the parameters of ultracapacitor. The Maxwell Cell BCAP0310 (310 F) has been used in the study. The model is dynamic, i.e. it reflects the transient state of ultracapacitor voltage. More details on the ultracapacitor model is presented in [1].
The parameterisation of the model allows to specify an ultracapacitor pack with a defined number of cells in series or parallel.
The model is able to simulate terminal voltage of energy storage including the dependencies on state of charge and temperature.
Performed studies allow to presume that the model adequately reflects ultracapacitor behaviour in the ranges of:
- temperature -5°C – 40°C
- cell voltage 0.5V – 2.7V
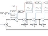
There is not possible to model pure variable resistors in PLECS, so a capacitive coupled variable resistor with very small capacitance has been used to model a series resistance.
The full version is available for the licensed PLECS users. The non-licensed users need the free PLECS Viewer - http://www.plexim.com/download/blockset.
[1] Marek Michalczuk, Lech M. Grzesiak and Bartlomiej Ufnalski, Experimental parameter identification of battery-ultracapacitor energy storage system, IEEE International Symposium on Industrial Electronics (ISIE), 2015
Cite As
Marek Michalczuk (2026). Ultracapacitor (Supercapacitor) model (https://www.mathworks.com/matlabcentral/fileexchange/51243-ultracapacitor-supercapacitor-model), MATLAB Central File Exchange. Retrieved .
MATLAB Release Compatibility
Platform Compatibility
Windows macOS LinuxCategories
Tags
Communities
Discover Live Editor
Create scripts with code, output, and formatted text in a single executable document.
| Version | Published | Release Notes | |
|---|---|---|---|
| 1.0.0.0 |
