24 Pulse Rectifier
Version 1.0.0.0 (74.3 KB) by
Sankalp Chaturvedi
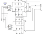
24 Pulse rectifier consists of 24 diode, 3 phase supply. 3 phase supply is converted into DC supply.
24 Pulse rectifier consists of 24 diode, 3 phase supply. 3 phase supply is converted into DC supply.
In a 24 Pulse rectifier 3phase supply is given two delta to star and delta transformer connected to two 3 phase bridges converting 3 phase AC to DC .
Cite As
Sankalp Chaturvedi (2026). 24 Pulse Rectifier (https://www.mathworks.com/matlabcentral/fileexchange/48431-24-pulse-rectifier), MATLAB Central File Exchange. Retrieved .
MATLAB Release Compatibility
Created with
R2010a
Compatible with any release
Platform Compatibility
Windows macOS LinuxCategories
- Physical Modeling > Simscape Electrical > Electrical Block Libraries > Electromechanical >
- Physical Modeling > Simscape Electrical > Specialized Power Systems >
Find more on Electromechanical in Help Center and MATLAB Answers
Tags
Communities
More Files in the Power Electronics Control Community
Discover Live Editor
Create scripts with code, output, and formatted text in a single executable document.
| Version | Published | Release Notes | |
|---|---|---|---|
| 1.0.0.0 |
