Speed Control Of DC motor using 3phase fully controlled bridge converter
Version 1.0.0.0 (12.1 KB) by
Saurabh Kabdal
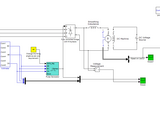
A basic model to understand the concept.
1)Three Phase Fully Contolled Bridge Rectifier (6 Thyristors)
2)Change the firing angle using 6-pulse generator.
3)Voltmeter is used for measuring phase voltages.
4)As the firing angle is increased speed of the DC machine is decreased.
Cite As
Saurabh Kabdal (2026). Speed Control Of DC motor using 3phase fully controlled bridge converter (https://www.mathworks.com/matlabcentral/fileexchange/38267-speed-control-of-dc-motor-using-3phase-fully-controlled-bridge-converter), MATLAB Central File Exchange. Retrieved .
MATLAB Release Compatibility
Created with
R2011a
Compatible with any release
Platform Compatibility
Windows macOS LinuxCategories
Find more on Specialized Power Systems in Help Center and MATLAB Answers
Tags
Communities
More Files in the Power Electronics Control Community
Discover Live Editor
Create scripts with code, output, and formatted text in a single executable document.
| Version | Published | Release Notes | |
|---|---|---|---|
| 1.0.0.0 |
