Transformer-Less high step up DC-DC converter using Cascade Cockroft Walton Voltage Multiplier
Version 1.1.0.0 (10.1 KB) by
Kannabhiran.A
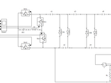
High step up DC-DC converter using Cascade Cockroft Walton Voltage Multiplier
This circuit gives continuous input current with low ripple, high voltage ratio and low voltage stress on the switches.
Cite As
Kannabhiran.A (2026). Transformer-Less high step up DC-DC converter using Cascade Cockroft Walton Voltage Multiplier (https://www.mathworks.com/matlabcentral/fileexchange/38027-transformer-less-high-step-up-dc-dc-converter-using-cascade-cockroft-walton-voltage-multiplier), MATLAB Central File Exchange. Retrieved .
MATLAB Release Compatibility
Created with
R2010a
Compatible with any release
Platform Compatibility
Windows macOS LinuxCategories
Find more on Sensors and Transducers in Help Center and MATLAB Answers
Tags
Communities
More Files in the Power Electronics Control Community
Discover Live Editor
Create scripts with code, output, and formatted text in a single executable document.
