Single phase Diode Bridge Type Rectifier
Version 1.0.0.0 (6.93 KB) by
Saurabh Kabdal
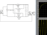
A simple model to understand how diode bridge type rectifier works.
Diode Bridge is used.
AC voltage source is used.
Capacitor is used as a filter.
Cite As
Saurabh Kabdal (2026). Single phase Diode Bridge Type Rectifier (https://www.mathworks.com/matlabcentral/fileexchange/37313-single-phase-diode-bridge-type-rectifier), MATLAB Central File Exchange. Retrieved .
MATLAB Release Compatibility
Created with
R14SP1
Compatible with any release
Platform Compatibility
Windows macOS LinuxCategories
- Physical Modeling > Simscape Electrical > Electrical Block Libraries > Electromechanical >
- Physical Modeling > Simscape Electrical > Specialized Power Systems >
Find more on Electromechanical in Help Center and MATLAB Answers
Tags
Discover Live Editor
Create scripts with code, output, and formatted text in a single executable document.
| Version | Published | Release Notes | |
|---|---|---|---|
| 1.0.0.0 |
