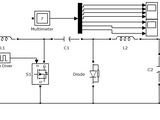
CUk converter is an extension of buck/boost converter and is capable of either buck or boost the input voltage. The current of input and output have very low ripple content.
Cite As
Hadeed Sher (2026). CUK Converter (https://www.mathworks.com/matlabcentral/fileexchange/32714-cuk-converter), MATLAB Central File Exchange. Retrieved .
MATLAB Release Compatibility
Created with
R2011a
Compatible with any release
Platform Compatibility
Windows macOS LinuxCategories
Find more on Electrical Block Libraries in Help Center and MATLAB Answers
Tags
Acknowledgements
Inspired: CUK CONVERTER
Discover Live Editor
Create scripts with code, output, and formatted text in a single executable document.
| Version | Published | Release Notes | |
|---|---|---|---|
| 1.0.0.0 |
