Hydraulic servo actuators
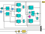
Hydraulic servo actuators (HSAs) are used to precisely control displacement in a wide range of equipment. Generally, a hydraulic servo actuator consists of a hydraulic actuator controlled by a directional control valve of an infinite number of positions and equipped with a feedback arrangement. This simulink file simulated the dynamic behavior of a hydraulic servoactuator. The simulation program is based upon a detailed nonlinear model and a transfer function. The construction, operation, applications and mathematical models are given in my book: M Galal Rabie, Fluid power Engineering, McGraw-Hill, NY, May 2009.
Cite As
M Galal Rabie (2026). Hydraulic servo actuators (https://www.mathworks.com/matlabcentral/fileexchange/29214-hydraulic-servo-actuators), MATLAB Central File Exchange. Retrieved .
MATLAB Release Compatibility
Platform Compatibility
Windows macOS LinuxCategories
- Physical Modeling > Simscape Fluids >
- Physical Modeling > Simscape Electrical > Applications > Motor Drives and Power Electronics > Converters (High Power) >
- Engineering > Mechanical Engineering > Hydraulics and Pneumatics >
Tags
Discover Live Editor
Create scripts with code, output, and formatted text in a single executable document.
| Version | Published | Release Notes | |
|---|---|---|---|
| 1.0.0.0 |
