Single Phase Full Wave Converter of MATLAB Simulation
Version 1.0.0 (12.6 KB) by
K V Thulasi Ram
Matlab simulation of single phase full wave converter
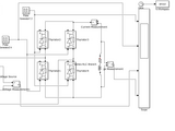
matlab simulation of single phase full wave converter(The single phase fully controlled converter is used to convert single phase A.C supply to D.C supply. Such converter finds application in dc motor loads for motoring and electrical braking of the motor)
Cite As
K V Thulasi Ram (2026). Single Phase Full Wave Converter of MATLAB Simulation (https://www.mathworks.com/matlabcentral/fileexchange/122627-single-phase-full-wave-converter-of-matlab-simulation), MATLAB Central File Exchange. Retrieved .
MATLAB Release Compatibility
Created with
R2015a
Compatible with R2015a and later releases
Platform Compatibility
Windows macOS LinuxTags
Discover Live Editor
Create scripts with code, output, and formatted text in a single executable document.
| Version | Published | Release Notes | |
|---|---|---|---|
| 1.0.0 |
