DC Fast Charger for Electric Vehicle
This example models a DC fast charging station connected with the battery pack of an Electric Vehicle (EV).
The main components of the example are:
Grid - Model the AC supply voltage as a three-phase constant voltage source.
DC Fast Charging Station - Model the power electronic circuits to convert the AC supply voltage from the grid to the DC voltage level that the EV battery pack requires.
EV battery pack - Model the battery pack as series of battery cells.
Model Overview

Components in DC Fast Charging Station
These are the main components of the system:
Filter & AC Measurements to filter the harmonics in the line current and measure the three-phase supply voltage and line current.

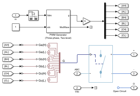
Unity Power Factor (UPF) Front End Converter (FEC) to control output DC voltage at 800 V.

The converter circuit is modeled with three levels of fidelity:

Average Inverter Fidelity

Two Level Inverter Fidelity


Three Level Inverter Fidelity


Isolated DC-DC converter supply constant charging current to the EV battery.

These are the main components of the isolated DC-DC Converter: * Inverter

HF Isolation Transformer

Diode-Bridge Rectifier

EV Battery Pack Overview
The EV Battery Pack models the battery cells connected in series and the sensors to measure the battery terminal voltage and output current.

Simulation Results from Simscape Logging
The plot below shows the DC bus voltage and current, battery terminal voltage, and charging current.


See Also
Average-Value Voltage Source Converter (Three-Phase) | Converter (Three-Phase) | Three-Level Converter (Three-Phase) | Four-Quadrant Chopper | Four-Pulse Gate Multiplexer | Battery (Table-Based)