AC Cable with Bonded Sheaths
This example shows a three-phase cable model comprised of multiple pi-sections. Each phase is enclosed in a conductive sheath. The conductive sheath is connected to ground at either end of the cable through a simple resistance. A high-voltage source provides power to an unbalanced resistive load through the power cable. You can configure the sheath to be either series-bonded or cross-bonded. You can also configure the number of pi-sections. Increasing the number of pi-sections improves the accuracy but slows down the simulation. To facilitate convergence, the voltage source includes an internal impedance.
Model

Cable Model: Parameters

Cable Model: Series-bonded
The figure shows the cable model comprised of three pi-sections with series-bonded sheaths.


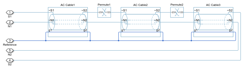
Cable Model: Cross-bonded
The figure shows the cable model comprised of three pi-sections with cross-bonded sheaths. The sheath cross-bonding is implemented using Phase Permute blocks.

Simulation Results from Simscape Logging
The plots show the behavior of the sheath bonding methods for a cable model comprised of 22 pi-sections. The efficiency with cross-bonded sheaths is higher than the efficiency with series-bonded sheaths.

