Unified Power Flow Controller (Phasor Type)
(To be removed) Implement phasor model of three-phase unified power flow controller
The Specialized Power Systems library will be removed in R2026a. Use the Simscape™ Electrical™ blocks and functions instead. For more information on updating your models, see Upgrade Specialized Power System Models to use Simscape Electrical Blocks.
Description
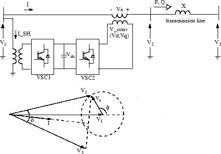
The Unified Power Flow Controller (UPFC) is the most versatile member of the Flexible AC Transmission Systems (FACTS) family using power electronics to control power flow on power grids [1]. The UPFC uses a combination of a shunt controller (STATCOM) and a series controller (SSSC) interconnected through a common DC bus as shown on the figure below.
Single-line Diagram of a UPFC and Phasor Diagram of Voltages and Currents

This FACTS topology provides much more flexibility than the SSSC for controlling the line active and reactive power because active power can now be transferred from the shunt converter to the series converter, through the DC bus. Contrary to the SSSC where the injected voltage Vs is constrained to stay in quadrature with line current I, the injected voltage Vs can now have any angle with respect to line current. If the magnitude of injected voltage Vs is kept constant and if its phase angle ϕ with respect to V1 is varied from 0 degrees to 360 degrees, the locus described by the end of vector V2 (V2=V1+Vs) is a circle as shown on the phasor diagram. As ϕ is varying, the phase shift δ between voltages V2 and V3 at the two line ends also varies. It follows that both the active power P and the reactive power Q transmitted at one line end can be controlled. The UPFC controllable region in the P-Q plane is the area enclosed by an ellipse, as shown on the figure below.
Controllable Region for a 100 MVA UPFC Connected on 500 kV, 200-km line

This figure was obtained with a 100 MVA UPFC controlling active and reactive power at one end of a 500 kV, 200-km transmission line. The following parameters have been used:
Line: length = 200 km; reactance = 0.35 Ω /km
System voltage: 500-kV infinite sources V1 and V3; V1=1.0 pu, 0 degrees; V3= 1.0 pu,−7.22 degrees
Series and shunt converter rating: 100 MVA
Series converter: nominal injected voltage = 10% of nominal line-to-ground voltage (28.9 kV); impedance (transformer leakage reactance and filters) = 0.15 pu
With V3 lagging V1 by 7.22 degrees, the natural power flow without compensation is 450 MW or 50% of the line surge impedance loading (SIL=900 MW). With an injected voltage Vs = 0.1 pu any operating point inside the larger ellipse can be obtained and active power can be varied by approximately +/- 300 MW.
In addition to allow control of the line active and reactive power, the UPFC provides an additional degree of freedom. Its shunt converter operating as a STATCOM controls voltage V1 by absorbing or generating reactive power.
Both the series and shunt converters use a Voltage-Sourced Converter (VSC) connected on the secondary side of a coupling transformer. The VSCs use forced-commutated power electronic devices (GTOs, IGBTs, or IGCTs) to synthesize a voltage from a DC voltage source. The common capacitor connected on the DC side of the VSCs acts as a DC voltage source. Two VSC technologies can be used for the VSCs:
VSC using GTO-based square-wave inverters and special interconnection transformers. Typically four three-level inverters are used to build a 48-step voltage waveform. Special interconnection transformers are used to neutralize harmonics contained in the square waves generated by individual inverters. In this type of VSC, the fundamental component of voltage is proportional to the voltage Vdc. Therefore Vdc has to vary for controlling the injected voltage.
VSC using IGBT-based PWM inverters. This type of inverter uses the Pulse-Width Modulation (PWM) technique to synthesize a sinusoidal waveform from a DC voltage with a typical chopping frequency of a few kilohertz. Harmonics are canceled by connecting filters at the AC side of the VSC. This type of VSC uses a fixed DC voltage Vdc. Voltage is varied by changing the modulation index of the PWM modulator.
The UPFC (Phasor Type) block models an IGBT-based UPFC. However, as details of the inverter and harmonics are not represented, it can be also used to model a GTO-based UPFC in transient stability studies.
Control System
The shunt converter operates as a STATCOM. For a description of its control system, refer to the Static Synchronous Compensator (Phasor Type). In summary, the shunt converter controls the AC voltage at its terminals and the voltage of the DC bus. It uses a dual voltage regulation loop: an inner current control loop and an outer loop regulating AC and DC voltages.
Control of the series branch is different from the SSSC. In an SSSC the two degrees of freedom of the series converter are used to control the DC voltage and the reactive power. In case of a UPFC the two degrees of freedom are used to control the active power and the reactive power. A simplified block diagram of the series converter is shown below.
Simplified Block Diagram of the Series Converter Control System

The series converter can operate either in power flow control (automatic mode) or in manual voltage injection mode. In power control mode, the measured active power and reactive power are compared with reference values to produce P and Q errors. The P error and the Q error are used by two PI regulators to compute respectively the Vq and Vd components of voltage to be synthesized by the VSC. (Vq in quadrature with V1 controls active power and Vd in phase with V1 controls reactive power). In manual voltage injection mode, regulators are not used. The reference values of injected voltage Vdref and Vqref are used to synthesize the converter voltage.
The UPFC block is a phasor model which does not include detailed representation of the power electronics. You must use it with the phasor simulation method, activated with the Powergui block. It can be used in three-phase power systems together with synchronous generators, motors, dynamic loads, and other FACTS and Renewable Energy systems to perform transient stability studies and observe impact of the UPFC on electromechanical oscillations and transmission capacity at fundamental frequency.
Parameters
The UPFC parameters are grouped in three categories: Power data,
Control parameters (shunt converter), and Control parameters
(series converter). Use the Display listbox to
select which group of parameters you want to visualize.
Power Tab
- Nominal voltage and frequency
The nominal line-to-line voltage in Vrms and the nominal system frequency in hertz. Default is
[ 500e3, 60 ].- Shunt Converter rating
The nominal rating of the shunt converter in VA. Default is
100e6.- Shunt Converter impedance
The positive-sequence resistance R and inductance L of the shunt converter, in pu based on the nominal converter rating and nominal voltage. R and L represent the resistance and leakage inductance of the shunt transformer plus the resistance and inductance of the series filtering inductors connected at the VSC output. Default is
[ 0.22/30, 0.22 ].- Shunt Converter initial current
The initial value of the positive-sequence current phasor (Magnitude in pu and Phase in degrees). If you know the initial value of the shunt current corresponding to the UPFC operating point you may specify it in order to start simulation in steady state. If you don't know this value, you can leave [0 0]. The system will reach steady-state after a short transient. Default is
[0, 0 ].- Series Converter rating
The ratings of the series converter in VA and the maximum value of the injected voltage V_conv on the VSC side of the transformer (see single line diagram), in pu of nominal phase-to-ground voltage. Default is
[ 100e6, 0.1].- Series Converter impedance
The positive-sequence resistance and inductance of the converter, in pu, based on the converter rated power and voltage. R and L represent the resistance and leakage inductance of the series transformer plus the resistance and inductance of the series filtering inductors connected at the VSC output. Default is
[ 0.16/30, 0.16 ].- Series Converter initial current
The initial value of the positive-sequence current phasor (Magnitude in pu and Phase in degrees). If you know the initial value of the series current corresponding to the UPFC operating point you may specify it in order to start simulation in steady state. If you don't know this value, you can leave [0 0]. The system will reach steady-state after a short transient. Default is
[ 0 0].- DC link nominal voltage
The nominal voltage of the DC link in volts. Default is
40000.- DC link total equivalent capacitance
The total capacitance of the DC link in farads. This capacitance value is related to the UPFC converter ratings and to the DC link nominal voltage. The energy stored in the capacitance (in joules) divided by the converter rated power (in VA) is a time duration which is usually a fraction of a cycle at nominal frequency. For example, for the default parameters, (C=750 µF, Vdc=40 000 V, Snom=100 MVA) this ratio is 6.0 ms, which represents 0.36 cycle for a 60 Hz frequency. If you change the default values of the nominal power rating and DC voltage, you should change the capacitance value accordingly. Default is
750e-6.
Shunt Converter Tab
- Mode
Specifies the shunt converter mode of operation. Select either
Voltage regulation(default) orVar Control.- Reference voltage Vref
This parameter is not enabled when the Mode parameter is set to
Var Control.Reference voltage, in pu, used by the voltage regulator. Default is
1.00.- External
When External is selected, a Simulink® input named Vref appears on the block, allowing you to control the reference voltage from an external signal (in pu). The Reference voltage Vref parameter is therefore unavailable. Default is cleared.
- Maximum rate of change of reference voltage
This parameter is not enabled when the Mode parameter is set to
Var Control.Maximum rate of change of the reference voltage, in pu/s, when an external reference voltage is used. Default is
0.1.- Droop
This parameter is not enabled when the Mode parameter is set to
Var Control.Droop reactance, in pu/shunt converter rating Snom, defining the slope of the V-I characteristic. Default is
0.03.- Vac Regulator gains: [Kp Ki]
This parameter is not enabled when the Mode parameter is set to
Var Control.Gains of the AC voltage PI regulator. Specify proportional gain Kp in (pu of I)/(pu of V), and integral gain Ki, in (pu of I)/(pu of V)/s, where V is the AC voltage error and I is the output of the voltage regulator. Default is
[5, 1000].- Reactive power setpoint Qref
This parameter is not enabled when the Mode parameter is set to
Voltage regulation.Reference reactive power, in pu, when the shunt converter is in
Var Controlmode. Default is0.- Maximum rate of change of reactive power setpoint
This parameter is not enabled when the Mode parameter is set to
Voltage regulation.Maximum rate of change of the reference reactive power, in pu/s. Default is
2.- Vdc Regulator gains: [Kp Ki]
Gains of the DC voltage PI regulator which controls the voltage across the DC bus capacitor. Specify proportional gain Kp in (pu of I)/Vdc, and integral gain Ki, in (pu of I)/Vdc/s, where Vdc is the DC voltage error and I is the output of the voltage regulator. Default is
[0.1e-3, 20e-3].- Current Regulators gains: [Kp Ki]
Gains of the inner current regulation loop. Default is
[0.5, 25]/3.Specify proportional gain Kp in (pu of V)/(pu of I), integral gain Ki, in (pu of V)/(pu of I)/s, where V is the output of the d or q current regulator and I is the Id or Iq current error.
The current regulator is assisted by a feed forward regulator. The feed forward gain in (pu of V)/(pu of I) is the shunt converter reactance (in pu) given by parameter L in the Shunt converter impedance [R L] parameters.
Series Converter Tab
- Bypass Breaker
Specifies the status of the bypass breaker connected inside the block across terminals A1, B1, C1 and A2, B2, C2. Select either
External Control,Open(default) orClosed. If the bypass breaker is in external control, a Simulink input named Bypass appears on the block, allowing to control the status of the bypass breaker from an external signal (0 or 1).- Mode
Specifies the series converter mode of operation. Select either
Power flow control(default) orManual voltage injection.- Reference powers
This parameter is not enabled when the Mode parameter is set to
Manual voltage injection.Specify references values, in pu. Default is
[5.87 -0.27].- External
When External is selected, a Simulink input named PQref appears on the block, allowing you to control the active and reactive powers from an external signal (in pu). The Reference powers parameter is therefore unavailable. Default is cleared. When External is selected, a Simulink input named Vdqref appears on the block, allowing you to control the injected voltage from an external signal (in pu). The Reference voltages parameter is therefore unavailable.
- Maximum rate of change of reference powers
This parameter is not enabled when the Mode parameter is set to
Manual voltage injection.Specify maximum rate of change of Pref and Qref, in pu/s. Default is
1.- Power Regulator gains: [Kp Ki]
This parameter is not enabled when the Mode parameter is set to
Manual voltage injection.Gains of the PI regulators which control the line active power and reactive power. Specify proportional gain Kp in (pu of Vdq)/(pu of PQ), and integral gain Ki, in (pu of Vdq)/(pu of PQ)/s, where Vdq is the Vd or Vq injected voltage and PQ is the P or Q voltage error. Default is
[0.025, 1.5].- Reference voltages
This parameter is not enabled when the Mode parameter is set to
Power flow control.Specify the direct-axis and quadrature-axis components of the voltage injected on the VSC side of the series transformer, in pu. Default is
[0.05, 0.05].- Maximum rate of change for references voltages
This parameter is not enabled when the Mode parameter is set to
Power flow control.Specify maximum rate of change of the Vdref and Vqref voltages, in pu/s. Default is
0.2.
Inputs and Outputs
A1 B1 C1The three input terminals of the UPFC.
A2 B2 C2The three output terminals of the UPFC.
TripApply a Simulink logical signal (0 or 1) to this input. When this input is high the shunt converter is disconnected and the series converter is bypassed. In addition, when the trip signal is high the shunt and series control systems are disabled. Use this input to implement a simplified version of the protection system.
BypassThis input is visible only when the Bypass Breaker parameter is set to
External Control.Apply a Simulink logical signal (0 or 1) to this input. When this input is high the bypass breaker is closed.
VdqrefThis input is visible only when the External control of injected voltage Vdref _Vqref parameter is checked.
Apply a Simulink vectorized signal specifying the reference voltages Vdref and Vqref, in pu.
PQrefThis input is visible only when the External control of power references Pref _Qref parameter is checked.
Apply a Simulink vectorized signal specifying the reference powers Pref and Qref, in pu.
mSimulink output vector containing 34 UPFC internal signals. These signals are either voltage and current phasors (complex signals) or control signals. They can be individually accessed by using the Bus Selector block. They are, in order:
Signal
Signal Group
Signal Names
Definition
1-3
Power Vabc1 (cmplx)
Va1 (pu)
Vb1 (pu)
Vc1 (pu)Phasor voltages (phase to ground) Va, Vb, Vc at the UPFC input terminals A1, B1, C1 (pu)
4-6
Power Iabc_SH (cmplx)
Ia_SH (pu)
Ib_SH (pu)
Ic_SH (pu)Phasor currents Ia, Ib, Ic flowing into the shunt converter (pu)
7
Power
Vdc (V)
DC voltage (V)
8-10
Power Vabc2 (cmplx)
Va2 (pu)
Vb2 (pu)
Vc2 (pu)Phasor voltages (phase to ground) Va, Vb, Vc at the UPFC output terminals A2, B2, C2 (pu)
11-13
Power Vabc_Inj (cmplx)
Va_Inj (pu)
Vb_Inj (pu)
Vc_Inj (pu)Phasors of injected voltages
Vs=V2-V1 (pu)14_16
Power Iabc_SE (cmplx)
Ia_SE (pu)
Ib_SE (pu)
Ic_SE (pu)Phasor currents Ia, Ib, Ic flowing in the series transformer from ABC1 to ABC2 (pu)
17
Control
(Shunt)Vm (pu)
Positive-sequence value of the measured voltage (pu)
18
Control
(Shunt)Vref (pu)
Reference voltage (pu)
19
Control
(Shunt)Qm (pu)
Shunt converter reactive power. A positive value indicates inductive operation.
20
Control
(Shunt)Qref (pu)
Reference reactive power (pu)
21
Control
(Shunt)Id (pu)
Direct-axis component of current (active current) flowing into the shunt converter (pu). A positive value indicates active power flowing into shunt converter.
22
Control
(Shunt)Iq (pu)
Quadrature-axis component of current (reactive current) flowing into the shunt converter (pu). A positive value indicates capacitive operation.
23
Control
(Shunt)Idref (pu)
Reference value of direct-axis component of current flowing into shunt converter (pu)
24
Control
(Shunt)Iqref (pu)
Reference value of quadrature-axis component of current flowing into shunt converter (pu)
25
Control
(Shunt)modindex
The modulation index m of the shunt converter PWM modulator. A positive number 0<m<1. m=1 corresponds to the maximum voltage which can be generated by the VSC without overmodulation.
26
Control
(Series)P (pu)
Measured active power flowing out of terminals A2, B2, C2 (pu)
27
Control
(Series)Q (pu)
Measured reactive power flowing out of terminals A2, B2, C2 (pu)
28
Control
(Series)Pref (pu)
Reference active power (pu)
29
Control
(Series)Qref (pu)
Reference reactive power (pu)
30
Control
(Series)Vd_conv (pu)
Direct-axis injected voltage on VSC side of series transformer (pu)
31
Control
(Series)Vq_conv (pu)
Quadrature-axis injected voltage on VSC side of series transformer (pu)
32
Control
(Series)Vdref (pu)
Reference value of direct-axis
injected voltage (pu)33
Control
(Series)Vqref (pu)
Reference value of quadrature-axis
injected voltage (pu)34
Control
(Series)
modindex
The modulation index m of the series converter PWM modulator. A positive number 0<m<1. m=1 corresponds to the maximum voltage V_conv which can be generated by the series converter without overmodulation.
References
[1] N. G. Hingorani, L. Gyugyi, “Understanding FACTS; Concepts and Technology of Flexible AC Transmission Systems,” IEEE Press book, 2000
See Also
Static Synchronous Compensator (Phasor Type), Static Synchronous Series Compensator (Phasor Type)
Version History
Introduced in R2006a
