Full-Bridge MMC
(To be removed) Implement a full-bridge modular multilevel converter
The Specialized Power Systems library will be removed in R2026a. Use the Simscape™ Electrical™ blocks and functions instead. For more information on updating your models, see Upgrade Specialized Power System Models to use Simscape Electrical Blocks.
Library
Simscape / Electrical / Specialized Power Systems / Power Electronics
Description
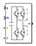
The Full-Bridge MMC block implements a full-bridge modular multilevel converter. The converter consists of multiple series-connected power modules. Each power module consists of one H-bridge and one capacitor on the DC side.
You can choose from three model types:
Switching devices — The converter uses IGBT/diode pairs. A multilevel PWM generator produces firing pulses (0/1 signals), which trigger switching in the converter.
Switching function — The converter is based on a switching-function model. The model uses two voltage sources and two diodes on the AC side, and two current sources on the DC side.
The converter is controlled by firing pulses produced by a PWM generator (0/1 signals) or by firing pulses averaged over a specified period (PWM averaging: signals from 0 through 1). Both modes of operation produce harmonics normally generated by a PWM-controlled converter, and also correctly simulate the rectifying operation and blanking time. This model type is suitable for real-time simulation.
Average model (Uref-controlled) — The converter is modeled using a switching-function model directly controlled by the reference voltage signals. A PWM generator is not required. This model provides the fastest simulations.
Parameters
- Model type
Specify the model type to use:
Switching devices(default)Switching functionAverage model (Uref-controlled)
- Number of power modules
Specify the number of series-connected power modules that are in the converter. The default value is
1.- Capacitor value (F)
Specify the capacitance, in farads, of the capacitors connected on the DC side of each power module. You can specify a single value that sets all the capacitances to the same value, or specify a vector containing different capacitance values for every power module. The default value is
10e-3.- Capacitor initial voltage (V)
Specify the capacitor initial voltage, in volts, of the capacitors connected on the DC side of each power module. You can specify a single value that sets all the capacitor initial voltage to the same value, or specify a vector containing different initial voltage for every power module. The default value is
1000.- Device on-state resistance (Ohms)
Internal resistance of the switching devices, in ohms. This parameter is available only when you set the Model type parameter to
Switching devices. The default value is1e-3.- Snubber resistance (Ohms)
The snubber resistance, in ohms. To eliminate the snubbers, set the snubber resistance to
inf. This parameter is available only when you set the Model type parameter toSwitching devices. The default value is1e6.- Snubber capacitance (F)
The snubber capacitance, in farads. To eliminate the snubbers, set the snubber capacitance to
0. This parameter is available only when you set the Model type parameter toSwitching devices. The default value isinf.- Diode on-state resistance (Ohms)
Internal resistance of the diodes, in ohms. This parameter is available only when you set the Model type parameter to
Switching functionorAverage model (Uref-controlled). The default value is1e-3.- Diode snubber resistance (Ohms)
The snubber resistance, in ohms. To eliminate the snubbers, set the snubber resistance to
inf. This parameter is available only when you set the Model type parameter toSwitching functionorAverage model (Uref-controlled). The default value is1e6.- Diode snubber capacitance (F)
The snubber capacitance in farads. To eliminate the snubbers, set the snubber capacitance to
0. This parameter is available only when you set the Model type parameter toSwitching functionorAverage model (Uref-controlled). The default value isinf.- Diode forward voltage (V)
Forward voltage, in volts, across the diode when it is conducting. This parameter is available only when you set the Model type parameter to
Switching functionorAverage model (Uref-controlled). The default value is1e-3.- Sample time (s)
Sample time of the block. To implement a continuous block, set to
0.This parameter is available only when you set the Model type parameter to
Switching functionorAverage model (Uref-controlled). The default value is10e-6.
Inputs and Outputs
gVectorized gating signal that controls the converter. The gating signal contains the firing pulses to control four switches at each power module in the converter (four times the Number of power modules pulses). This port is visible only when you set the Model type parameter to
Switching devicesorSwitching function.UrefVectorized reference voltage signal that controls the converter. The vectorized signal contains one reference voltage for each power module in the converter. This port is visible only when you set the Model type parameter to
Average model (Uref-controlled).BLYou can block all firing pulses to the converter by applying a scalar signal value of 1 at the BL input. It is not possible to block an individual module. When the input signal is 1, all modules in the MMC are blocked.
1Output terminal 1 of the converter.
2Output terminal 2 of the converter.
mMeasurement signal containing the voltage of capacitors connected on the DC side of each power module.
Version History
Introduced in R2016b
