Main Content

Crane Boom Arm Test Bench

This example shows how to combine hydraulics modeling in Simscape™ Fluids™ with six-degree-of-freedom motion and animation in Simscape Multibody™. This example also shows how to parameterize, test, and compare design cases for a counterbalance valve in a crane boom arm test bench. A counterbalance valve allows an upstream flow from the back port to the load port through the check valve stage during cylinder rod extension, and it allows a downstream flow from the load port to the back port through the relief valve stage during cylinder rod retraction in the boom arm mechanism. A counterbalance valve help with the load holding, load actuation, speed control, and safety by controlling the piston motion of the boom cylinder.

Model

The following figure shows the model of a crane boom arm test bench.

Crane Boom Assembly Subsystem: This subsystem models the crane boom system assembly.

Hydraulic Actuator Subsystem: Simscape Multibody connections Cylinder Base and Piston Head are the Multibody ports associated with the bracket holes of the cylinder and piston rod respectively. Simscape Fluids connections Cap and Rod ports are associated with the cylinder and rod side hydraulic fluid respectively.

Boom Arm Subsystem: This subsystem models the multibody boom arm.

Pulley and Weight Subsystem: This subsystem models the top pulley connected to the front bracket of the boom arm and the bottom pulley connected to the top pulley with the rope. The bottom pulley is connected to the weight.

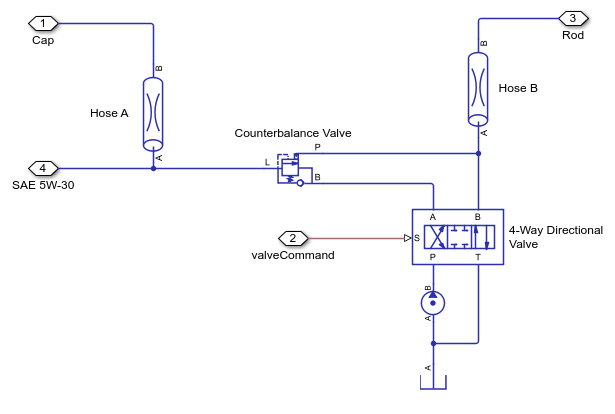
Hydraulic Circuit Subsystem: This subsystem models the hoses connecting to the boom cylinder rod and cap sides. The hoses are connected with the counterbalance valve and 4-way 3-position valve.

The rod extends the boom arm for the negative displacement valve command. The hydraulic fluid flows into the cap side of the boom cylinder through the check valve stage of the counterbalance valve.

The rod retracts the boom arm for the positive displacement valve command. The hydraulic fluid flows out of the cap side of the boom cylinder through the pilot assisted relief valve stage of the counterbalance valve.

Simulation Results from Simscape Logging

This figure shows the boom cylinder position and the pressures at the cap side and rod side of the cylinder piston.

This figure shows the boom cylinder position, directional control valve spool position, and the flow rates through the counterbalance valve for the design cases 1 and 2 of the counterbalance valve. The boom cylinder extends when the directional control valve is in the negative spool position and retracts when the directional control valve is in the positive spool position.

See Also

| |