db_0032: Signal line connections
Guideline Publication
Control Algorithm Modeling Guidelines - Using MATLAB®, Simulink®, and Stateflow®
Sub ID Recommendations
NA-MAAB — a, b, c
JMAAB — a, b, c
MATLAB Versions
All
Rule
Sub ID a
Signal lines shall not split into more than two sub lines at a single branching point.
Custom Parameter
Not Applicable
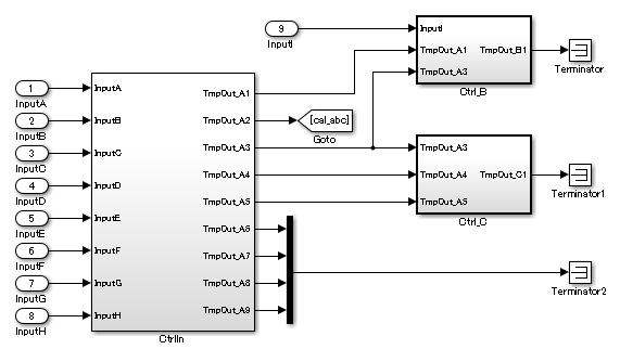
Example — Correct

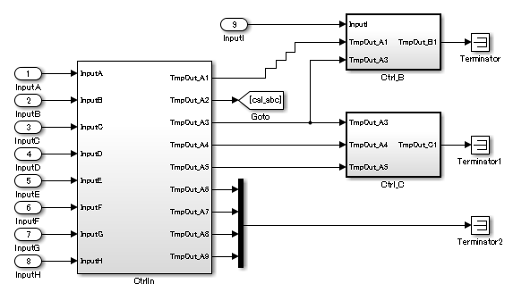
Example — Incorrect

Sub ID b
Signal lines shall be resized vertically or horizontally as required for the model layout.
Custom Parameter
Not Applicable
Sub ID c
Signal lines shall not bend multiple times unnecessarily.
Custom Parameter
Not Applicable
Example — Correct

Example — Incorrect

Rationale
Sub ID a:
Difficult to understand the relationships between blocks.
Sub ID b:
Consistent application of signal lines improves readability.
Sub ID c:
Deviation from the rules can impair readability.
Verification
Model Advisor check: Check signal line connections (Simulink Check)
Last Changed
R2024b
See Also
Version History
Introduced in R2020a