Main Content

Small-Signal Bipolar Transistor

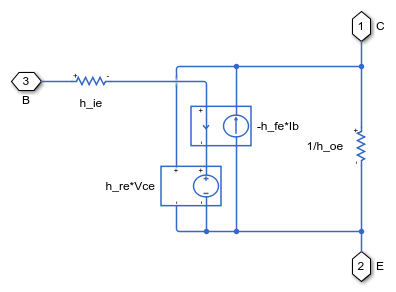
This model shows the use of a small-signal equivalent transistor model to assess performance of a common-emitter amplifier. The 47K resistor is the bias resistor required to set nominal operating point, and the 470 Ohm resistor is the load resistor. The transistor is represented by a hybrid-parameter equivalent circuit with circuit parameters h_ie (base circuit resistance), h_oe (output admittance), h_fe (forward current gain), and h_re (reverse voltage transfer ratio). Parameters set are typical for a BC107 Group B transistor. The gain is approximately given by -h_fe*470/h_ie =-47. The 1uF decoupling capacitor has been chosen to present negligible impedance at 1KHz compared to the input resistance h_ie, so the output voltage should be 47*10mV = 0.47V peak.

The model also shows how more complex elements (in this case a transistor) can be built up from the fundamental electrical elements in the Foundation library.

Model

NPN Transistor Small Signal Subsystem

Simulation Results from Simscape Logging

See Also

Topics