Main Content

Fixed Caliper Disk Brake

This example shows how to model, parameterize, and test a caliper disk brake. The example uses numerical data extracted from the tandem primary cylinder datasheet to identify an optimal design for the caliper disk brake. The example shows how to generate a compliance curve for the caliper disk brake.

Model

The figure shows a model of the caliper disk brake with the test harness. A tandem primary cylinder is used in the inlet circuit for the caliper disk brake. The output of the model is the compliance curve for the rear and front caliper disk brakes.

Tandem primary cylinder (TPC) subsystem

This subsystem shows the model of a tandem primary cylinder, which is used to pressurize the caliper disk brake.

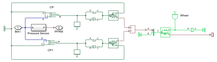
Fixed caliper disk brake (FCDB) subsystem

The subsystem shows the model of the caliper disk brakes for the four wheels. The fluid from the Brk1 channel of TPC is divided between the front two wheels. The fluid from the Brk2 channel of TPC is divided between the rear two wheels of the vehicle.

The figure shows the model of a caliper disk brake. The model does not have caliper disks connected to the vehicle wheels. The disks are grounded in the model. Therefore, the generated braking torque can be neglected.

Simulation results from simscape logging

The model generates compliance curves of the caliper disk brakes for a selected case.