Main Content

Worst-Case Sensitivity Functions of Feedback Loops

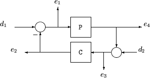
The sensitivity function and the complementary sensitivity function are two transfer functions related to the robustness and performance of a closed-loop system. Consider a general multivariable closed-loop control structure, as in the following illustration.

Control structure feedback(P,C) for computing sensitivity functions. The structure includes disturbance inputs d1 (plant input) and d2 (controller input), and measurement outputs e1 (plant input), e2 (controller output), e3 (controller input), and e4 (plant output).

The following table gives the values of the input and output sensitivity functions for this control structure.

Description

Equation

Input sensitivity Si (closed-loop transfer function from d1 to e1)

Si = (I + CP)–1

Input complementary sensitivity Ti (closed-loop transfer function from d1 to e2)

Ti = CP(I + CP)–1

Output sensitivity So (closed-loop transfer function from d2 to e3)

So = (I + PC)–1

Output complementary sensitivity To (closed-loop transfer function from d2 to e4)

To = PC(I + PC)–1

Input loop transfer function Li

Li = CP

Output loop transfer function Lo

Lo = PC

Worst-Case Sensitivity and Complementary Sensitivity

When you have an uncertain plant model and a controller model, you can compute the worst-case sensitivity and complementary sensitivity functions for robustness analysis. To do so, construct the transfer function you want to evaluate and use wcgain to find the perturbations that yield the worst-case gain for that transfer function. Then, use usubs to compute the transfer function corresponding to that worst-case gain.

For this example, create a SISO uncertain plant P and a PID controller.

delta = ultidyn('delta',[1 1]);
tau = ureal('tau',5,'range',[4 6]);
P = tf(1,[tau 1])*(1+0.25*delta);
C = pid(4,4);

Construct the uncertain sensitivity and complementary sensitivity transfer functions, Si=(I+CP)-1 and Ti=I-Si, respectively. (For this SISO system, the input and output sensitivity functions are equal.)

Si = feedback(1,C*P);
Ti = 1 - Si;

Compute the worst-case peak gains of Si and Ti and the corresponding worst-case perturbations using wcgain.

[wcgS,wcuS] = wcgain(Si);
[wcgT,wcuT] = wcgain(Ti);

Finally, evaluate the sensitivity functions with these worst-case perturbations.

Siwc = usubs(Si,wcuS);
Tiwc = usubs(Ti,wcuT);

Siwc and Tiwc are the worst-case sensitivity and complementary sensitivity functions for the uncertainty specified in the plant. Examine the effect of uncertainty on the sensitivity function Si by plotting the frequency response of some samples. The actual worst-case peak gain wcgS can be significantly higher than the random samples show.

rng(0); % for reproducibility
sigma(Si,Siwc)

MATLAB figure

See Also

Topics