Main Content

Interleaved ADC

Time-interleaved ADC model

Since R2023b

  • Interleaved ADC

Libraries:
Mixed-Signal Blockset / ADC / Architectures

Description

Use the Interleaved ADC to support the time-interleaved ADC models in your design. This block is compatible with the SerDes Toolbox™ IBIS-AMI models. You can use the block to model over an infinite input range and number of bits. This block uses Flash ADC as its core.

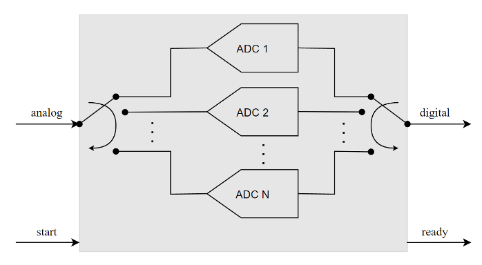
An interleaved ADC consists of a set of ADC cores wired in parallel.

Interleaved ADC model

At the rising edge of a signal at the start port, the ADC starts a conversion on the current core and indexes the input switch to the next core. When the conversion is complete, the output switch changes to the core in question. The conversion result is available at the digital port. The block also sends the rising edge of a signal on the ready port. This result is held until the next conversion is complete.

While a conversion is ongoing in one ADC core, the block can start new conversions in the other cores, increasing the throughput compared to a single core ADC.

Ports

Input

expand all

Analog input signal, specified as a scalar.

Data Types: double

External clock to start conversion, specified as a scalar or a vector. If specified as a vector, the number of elements in the vector must be equal to the number of ADC cores.

The analog to digital conversion process starts at the rising edge of the signal at the start port.

Data Types: double | Boolean

Add to the ADC input to calibrate the offset error, specified as a scalar or a vector. If specified as a scalar, it is demultiplexed over analog inputs of the ADC cores. If specified as a vector, the number of elements in the vector must be equal to the number of ADC cores. The vector elements are applied per ADC core.

You can also use the port to dynamically calibrate the offset error to each ADC core.

Data Types: double

Multiply the analog input to calibrate the gain error, specified as a scalar or a vector. If specified as a scalar, it is demultiplexed over analog inputs of the ADC cores. If specified as a vector, the number of elements in the vector must be equal to the number of ADC cores. The vector elements are applied per ADC core.

You can also use the port to dynamically calibrate the gain error to each ADC core.

Data Types: double

Output

expand all

Converted digital output signal, returned as a scalar.

Data Types: fixed point | single | double | int8 | int16 | int32 | uint8 | uint16 | uint32

Determines whether the analog to digital conversion is complete, returned as a scalar.

Usually, the data type of the ready signal is the same as the data type of the start signal. But if the start signal is a fixed-point type or a 64-bit integer type, the data type of the ready signal defaults to Boolean.

Data Types: double | Boolean

Parameters

expand all

Configuration

Number of physical output bits for all ADC cores, specified as a unitless positive real integer scalar or vector with length NADCs. Number of bits determines the resolution of the ADC.

Programmatic Use

Block parameter: NBits
Type: character vector
Values: scalar | vector
Default: 8

Data Types: double

ADC dynamic range, specified as a 2-element row vector in volts.

Programmatic Use

Block parameter: InputRange
Type: character vector
Values: 2-element row vector | [NADCs x 2] matrix
Default: [-1 1]

Data Types: double

Select to enable sub-sample interpolation with sinusoidal conversion start signal. This approximates the input value at the zero-crossing of the input clock.

For square conversion start signals, disable this parameter.

Number of ADC cores to interleave, specified as a positive real integer.

Programmatic Use

Block parameter: NADCs
Type: character vector
Values: positive real integer
Default: 4

Data Types: double

Inherit the output polarity and data type from the analog input signal to the ADC. If you select this option, the ADC ignores the Output polarity and Output data type parameters. The ADC output has the same polarity as the input and the data type is double.

Defines the ADC output data polarity.

If Output polarity is set to Auto, the minimum and maximum values of the output are determined by the polarity of the Input range.

If Output polarity is set to Bipolar, the outputs are between -2NBits-1 and 2NBits-1-1.

If Output polarity is set to Unipolar, the outputs are between 0 and 2NBits-1.

Dependencies

To enable this parameter, deselect the Match output to input scale option.

Programmatic Use

Block parameter: OutputPolarity
Type: character vector
Values: Auto | Bipolar | Unipolar
Default: Auto

Defines ADC output data type.

Dependencies

To enable this parameter, deselect the Match output to input scale option.

Programmatic Use

Block parameter: OutDataType
Type: character vector
Values: double | single | (u)int8 | (u)int16 | (u)int32 | fixdt(OutputPolarity,NBits)
Default: double

Convert the output of the ADC to scalar. The block selects the most recent conversion result using an internal counter to produce the scalar output.

Fixed-step sample rate, specified as a positive real scalar. When using in SerDes systems, Sample time represents the IBIS-AMI sample interval.

Programmatic Use

Block parameter: SampleTime
Type: character vector
Values: positive real scalar
Default: 6.25e-12

Define how the Interleaved ADC block is used in the simulation. You can use the block as a Simulink® block, or use the System object™ implementation (either interpreted or code generation) for more control.

Impairments

Select to enable linearity impairments such as offset error and gain error in ADC simulation. By default, this option is deselected.

Shifts quantization steps by specific value, specified as a scalar in %FS, FS, or LSB.

Note

The full scale range of the converter is defined as the difference between the last and first code on the +0.5 LSB compensated transfer curve. In a +0.5 LSB compensated transfer curve, first code is 0.5 LSB wide while the last code is 1.5 LSB wide. The input values must be considered within the full scale range of the converter.

Note

LSB is calculated by the equation LSB = Full scale range of converter2NBits.

Dependencies

To enable this parameter, select Enable linearity impairments in the Impairments tab.

Programmatic Use

Block parameter: OffsetError
Type: character vector
Values: real scalar
Default: 0 LSB

Data Types: double

Error on the slope of the straight line that interpolates the ADC transfer curve, specified as a real scalar in %FS, FS, or LSB.

Note

The full scale range of the converter is defined as the difference between the last and first code on the +0.5 LSB compensated transfer curve. In a +0.5 LSB compensated transfer curve, first code is 0.5 LSB wide while the last code is 1.5 LSB wide. The input values must be considered within the full scale range of the converter.

Note

LSB is calculated by the equation LSB = Full scale range of converter2NBits.

Dependencies

To enable this parameter, select Enable linearity impairments in the Impairments tab.

Programmatic Use

Block parameter: GainError
Type: character vector
Values: real scalar
Default: 0 LSB

Data Types: double

Select to enable timing impairments such as conversion delay in ADC simulation. By default, this option is deselected.

Latency of the analog to digital converter, specified as a nonnegative real scalar. If specified as a fraction, the Interleaved ADC block rounds it to the closest integer multiple of the sample time.

Dependencies

This parameter is only available when Enable timing impairments is selected. If you are using the Flash ADC in the System object mode, this value is rounded to the nearest multiple of the sample interval.

Programmatic Use

Block parameter: ConversionDelay
Type: character vector
Values: real scalar
Default: 0

Data Types: double

Select to enable the offset calibration port. The value at this port is added to the analog input to calibrate the offset error after gain error calibration is complete.

Select to enable the gain calibration port. The value at this port is multiplied by the analog input to calibrate the gain error.

Version History

Introduced in R2023b

See Also

|