Main Content

Online Estimation

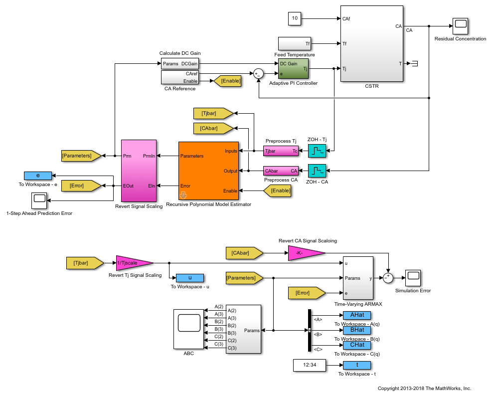
Estimate model parameters and states during system operation, generate code and deploy to embedded targets

Online estimation algorithms update model parameters and state estimates when new data is available. You can perform online parameter estimation and online state estimation using Simulink® blocks and at the command line. You can generate C/C++ code and deploy your code to an embedded target. To learn more about online estimation, see What Is Online Estimation?

Categories

Featured Examples