Hydraulic Actuator with Dual Counterbalance Valves
Warning: This example uses the hydraulic domain, which will be removed in a future release. Find an equivalent example model that uses the isothermal liquid domain here: Hydraulic Actuator with Dual Counterbalance Valves. To convert models to the isothermal liquid domain, use the hydraulicToIsothermalLiquid tool.
This example shows an actuator built of a double-acting hydraulic cylinder, directional valve, flow control, block of counterbalance valves, power unit, and a control unit.
The cylinder is loaded with an overriding load, which requires the use of counterbalance valves to prevent the load from creeping when the directional valve is in the neutral position. The actuator is equipped with a custom model of a 3-position, 4-way directional valve. The valve connects actuator ports A and B to tank in neutral position, while blocking the pressure port P. Ports A and B are connected to port P if electromagnet A is energized. This causes the cylinder to extend due to the difference in the cylinder effective areas. The piston retracts as electromagnet B is energized.
The counterbalance valves allow free flow from port B to port L through the check valve, but block the flow in the opposite direction unless pressure is applied to port P. When sufficient pressure is applied, a variable orifice opens.
The simulated actuator cycle starts with the piston rod at initial position. At 0.65 seconds electromagnet A is energized, causing the piston to extend until it reaches the end of the stroke. On its way forward, both bypass orifices are open and the cylinder differential connection is used to utilize the difference between piston areas. At 11.7 seconds electromagnet B is energized and the piston retracts to its initial position.
Model

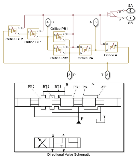
4 Way Valve Subsystem

Simulation Results from Simscape Logging
The plots below show the pressures in the cylinder and the position of the piston.

The plots below show the port pressures and flow rates for counterbalance valve A. In the first part of the cycle, flow is observed through the check valve in the counterbalance valve. During the second part of the cycle, flow rate through the variable orifice is observed, indicating that the ports at P and L create enough force to overcome the spring force and open the valve.

The plots below show the port pressures and flow rates for counterbalance valve B. During the first part of the cycle, flow rate through the variable orifice is observed, indicating that the ports at P and L create enough force to overcome the spring force and open the valve. In the second part of the cycle, flow is observed through the check valve in the counterbalance valve.
