Main Content

Diesel Engine In-Line Injection System

Warning: This example uses the hydraulic domain, which will be removed in a future release. Find an equivalent example model that uses the isothermal liquid domain here: Diesel Engine In-Line Injection System. To convert models to the isothermal liquid domain, use the hydraulicToIsothermalLiquid tool.

This example shows an in-line multi-element diesel injection system. It contains a cam shaft, lift pump, 4 in-line injector pumps, and 4 injectors.

Model

Injection System Description

The diesel injection system simulated by this model is shown in the schematic diagram below.

Figure 1. Injection System Schematic Diagram

The system structure is reproduced from H. Heisler, Vehicle and Engine Technology (second edition), 1999, and is categorized as an in-line multi-element injection system. It consists of the following basic units:

  • Cam shaft

  • Lift pump

  • In-line injector pump with four pumping elements, one element per cylinder

  • Injectors

The cam shaft carries five cams. The first one is the eccentric cam to actuate the lift pump. The remaining four are intended to drive plungers of the pump. The cams are installed in such a way that pumping elements deliver fuel in the firing order and at the correct instant in the engine's cycle of operation. The lift pump supplies fluid to the intake of injector pump elements. Each element of the pump consists of a cam-driven plunger, delivery valve, and the governor assembly. The purpose of the governor is to control the volume of the fuel delivered by the plunger to a cylinder. It is attained by rotating the plunger with the helical groove with respect to the spill orifice. All the system units will be described in more details in the following sections.

The objective of the simulation is to investigate the entire system operation. The objective dictates the extent of idealization of every model in the system. If the objective were, for example, delivery valve or the injector investigation, the amount of factors taken into consideration and the scope of the element considered would be different.

Note: The model of the system does not represent any particular injection system. All the parameters have been assigned based on practical considerations, and do not represent any particular manufacturer parameters.

Cam Shaft

The model of a cam shaft is built of five cam models. There are four parabolic profile cams and one eccentric cam. Every cam contains a Simulink® masked subsystem that describes the cam's profile and generates motion profile for the position source, which is built out of Simscape™ blocks.

Cam Profile Simulation

The motion profile is generated as a function of the shaft angle, which is measured with the Angle Sensor block from the Pumps and Motors library. The sensor converts the measured angle to a value in the range from zero to 2*pi. After the cycle angle is determined, it is passed to the Simulink IF subsystem, which computes the profile. The cam that drives the plunger of the pump element is supposed to have a parabolic profile under which the follower moves back and forth at constant acceleration, as follows:

As a result, at start extend angle the follower starts moving up and reaches its top position after the shaft turns an additional extend angle. The follower starts the return stroke at start retract angle and it takes the retract angle to complete this motion. The difference between the start retract angle and the (start extend angle + extend angle) sets the dwell angle at fully extended position. The profile is implemented in the Simulink IF subsystem.

The firing sequence for the simulated diesel engine is assumed to be 1-3-4-2. The sequence of cam operation is shown in the figure below. The extend and return angles are set to pi/4. The dwell angle with fully extended follower is set to 3*pi/2 rad.

The profile of the eccentric cam is computed with the formula

where e is eccentricity.

Position Source

The position source model, which generates position in mechanical translational motion following the Simulink signal at its input, is built of an Ideal Translational Velocity Source block, a PS Gain block, and a Translational Motion Sensor block installed in the negative feedback. The transfer function of the position source is

where

T - Time constant, equal 1/Gain,

Gain - Gain of the PS Gain block.

The gain is set to 1e6, which means that signals with frequencies up to 160 kHz are passed practically unaffected.

Lift Pump

The model of the lift pump, which is a piston-and-diaphragm type pump, is built of a Single-Acting Hydraulic Cylinder block and two Check Valve blocks. The check valves simulate inlet and outlet valves installed on both sides of the lift pump (see Figure 1). The contact between the pump rod roller and the cam is represented with the Translational Hard Stop block. The Translational Spring block simulates two springs in the pump that are supposed to maintain permanent contact between the roller and the cam.

Injection Pump

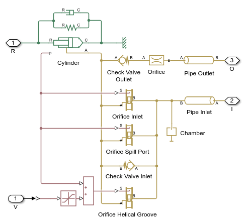
The in-line injection pump is a four-element pumping unit. Each element supplies fuel to its cylinder. All four elements are identical by design and parameters and simulated with the same model called Injection pump element. Each Injection pump element Injection pump element model contains two subsystems, named Pump and Injector, respectively. The Pump represents the pump plunger and the pump control mechanism, while the Injector simulates an injector installed directly on the engine cylinder (see Figure 1).

The pump plunger oscillates inside pump barrel driven by the cam (see Figure 1). The plunger is simulated with the Single-Acting Hydraulic Cylinder block. The Translational Hard Stop and Mass blocks represent the contact between the plunger roller and mass of the plunger, respectively. The contact is maintained by spring TS.

When the plunger moves down, the plunger chamber is filled with fuel under pressure developed by the lift pump. The fluid fills the chamber through two orifices, named Inlet port and Spill port (see Figure 2,a below).

Figure 2. Plunger Interaction with Control Orifices in the Barrel

After the plunger moves towards its top position high enough to cut off both orifices from the inlet chamber, the pressure at the outlet starts building up. At a certain rise the injector at the engine cylinder is forced to open and fuel starts injecting in the cylinder (Figure 2,b).

The injection stops as the helical groove formed on the side surface of the plunger reaches the Spill port, which connects the top chamber with the low pressure chamber through the orifice drilled inside the plunger (Figure 2,c). You can control the position of the helical groove with respect to the Spill port by rotating the plunger with the control fork, thus regulating the volume of fuel injected in the cylinder.

The model of the plunger control mechanism is based on the following assumptions:

1. There are three variable orifices in the control circuit: inlet port, spill port, and orifice formed by the helical groove and the spill port. The openings of the inlet and the spill orifices depend on the plunger motion, while the opening of the groove-spill port orifice is a function of the plunger motion and the plunger rotation. For the sake of simplicity, the displacement generated by the plunger rotation is represented as a source of linear motion which is combined with the plunger displacement.

2. The figure below shows all the dimensions necessary to parameterize the orifices:

$D_{in}$ - Inlet port orifice diameter

$D_{s}$ - Spill port orifice diameter

$S$ - Plunger stroke

$h_{in}$ - Distance between the inlet orifice and the top plunger position

$h_{s}$ - Distance between the spill port orifice and the top plunger position

$h_{hg}$ - Distance between the spill port orifice and the upper edge of the helical groove

3. In assigning initial openings and orifice orientations, the plunger top position is taken as the origin and the motion in the upward direction is considered as the motion in positive direction. In other words, axis X is directed upward. Under these assumptions, the inlet and spill port orifice directions must be set to Opens in negative direction, while the groove-spill port orifice must be set to Opens in positive direction since it opens when the plunger moves upward. The table below shows the values assigned to initial openings and orifice diameters.

Notation   Name in parameter file                Value      Remarks
S          stroke                                0.01 m
D_in       inlet_or_diameter                     0.003 m
D_s        spill_or_diameter                     0.0024 m
h_in       -stroke + inlet_or_diameter + 0.001              The inlet orifice is shifted upward by 1 mm with respect to the spill orifice
h_s        -stroke + spill_or_diameter
h_hg       spill_or_diameter                                The spill orifice is assumed to be fully opened at the top plunger position

4. The plunger effective stroke equals to

$e stroke = stroke - D_{in} - 1 mm$

The inlet orifice is generally located higher than the spill orifice. In the example, this distance is set to 1 mm. By rotating the plunger, you change the initial opening of the groove-spill port orifice. Since initial opening is a parameter and cannot be dynamically changed, the shift of the initial opening is simulated by addition of an equivalent linear displacement of the orifice control member. The larger the equivalent signal, the sooner the spill orifice is opened, thus decreasing the volume of fuel delivered to the cylinder. The maximum value of the equivalent signal is equal to the effective stroke. At this value, the spill orifice remains open all the time.

Injector

The model of the injector is based on the Single-Acting Hydraulic Cylinder block and the Needle Valve block. The needle valve is closed at initial position by the force developed by the preloaded spring. As the force developed by the cylinder overcomes the spring force, the injector opens and allows fuel to be injected in the cylinder. In the example, the injector is set to be opened at 1000 bar.

Simulation Results from Simscape Logging

The plots below show the positions and outlet flow rates of injector pump 1 and injector 1. The effect of the cam profile is shown in the displacement of injector pump 1. During the second half of the cam stroke, fuel exits the injector pump and passes into the injector. The fuel exits the injector via a needle valve. The injector has chamber with a preloaded spring which acts to store the fluid from the pump temporarily and push it out of the injector more smoothly.

See Also