Rotating Single-Acting Actuator (IL)
Actuator on a rotating shaft in an isothermal liquid network
Libraries:
Simscape /
Fluids /
Isothermal Liquid /
Actuators
Description
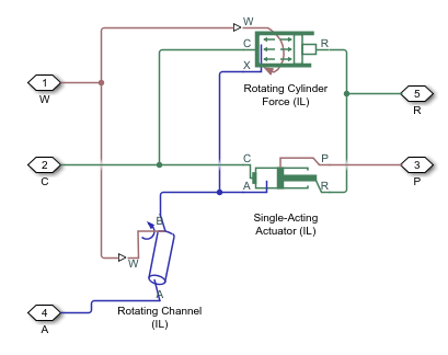
The Rotating Single-Acting Actuator (IL) block models an actuator that rotates around its central axis in an isothermal liquid network. Rotating actuators are used in rotating shaft control components such as friction clutches or brakes. The fluid enters the actuator at port A. The angular velocity is set at port W. Port C is associated with the actuator casing and the piston velocity and force are set at port R.
When the piston position is calculated internally, it is reported at port p, and when the position is set by a connection to a Simscape™ Multibody™ joint, it is received as a physical signal at port p. The motion of the piston when it is near full extension or full retraction is limited by one of four hard stop models. Enable dynamic compressibility can optionally be modeled.
Displacement
The piston displacement is measured as the position at port R
relative to port C. The Mechanical
orientation identifies the direction of piston displacement. The
piston displacement is neutral, or 0, when the chamber volume is
equal to the Dead volume. When displacement is received as an
input, ensure that the derivative of the position is equal to the piston velocity.
This is automatically the case when the input is received from a Translational Multibody Interface block
connection to a Simscape Multibody joint.
Hard Stop Model
To avoid mechanical damage to an actuator when it is fully extended or fully retracted, an actuator typically displays nonlinear behavior when the piston approaches these limits. The Double-Acting Actuator (IL) block models this behavior with a choice of four hard stop models, which model the material compliance through a spring-damper system. The hard stop models are:
Stiffness and damping applied smoothly through transition region, damped rebound.Full stiffness and damping applied at bounds, undamped rebound.Full stiffness and damping applied at bounds, damped rebound.Based on coefficient of restitution
The hard stop force is modeled when the piston is at its upper or lower bound. The boundary region is within the Transition region of the Piston stroke or piston initial displacement. Outside of this region,
For more information about these settings, see the Translational Hard Stop block page.
Block Subcomponents
The Rotating Single-Acting Actuator (IL) block comprises three Isothermal Liquid library blocks:
Actuator Schematic


